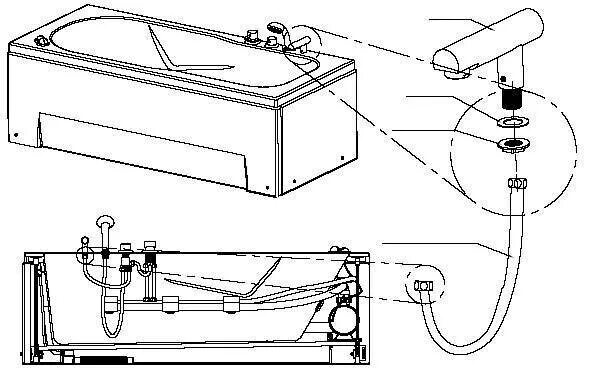
Подсоединить ванну