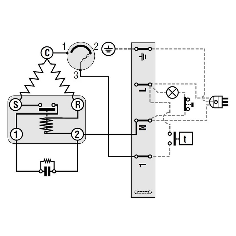
Подсоединить компрессор