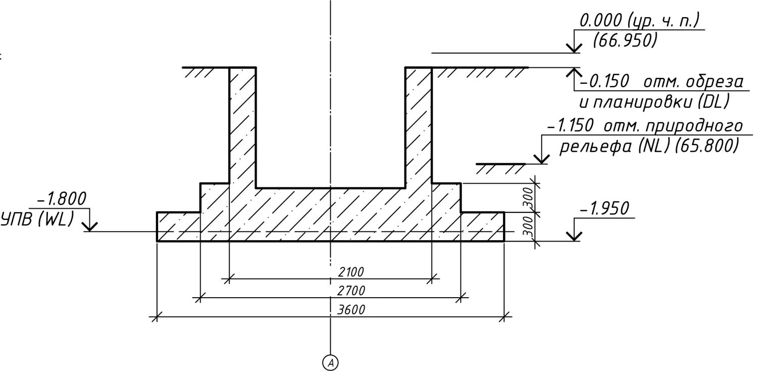
Подошва фундамента это