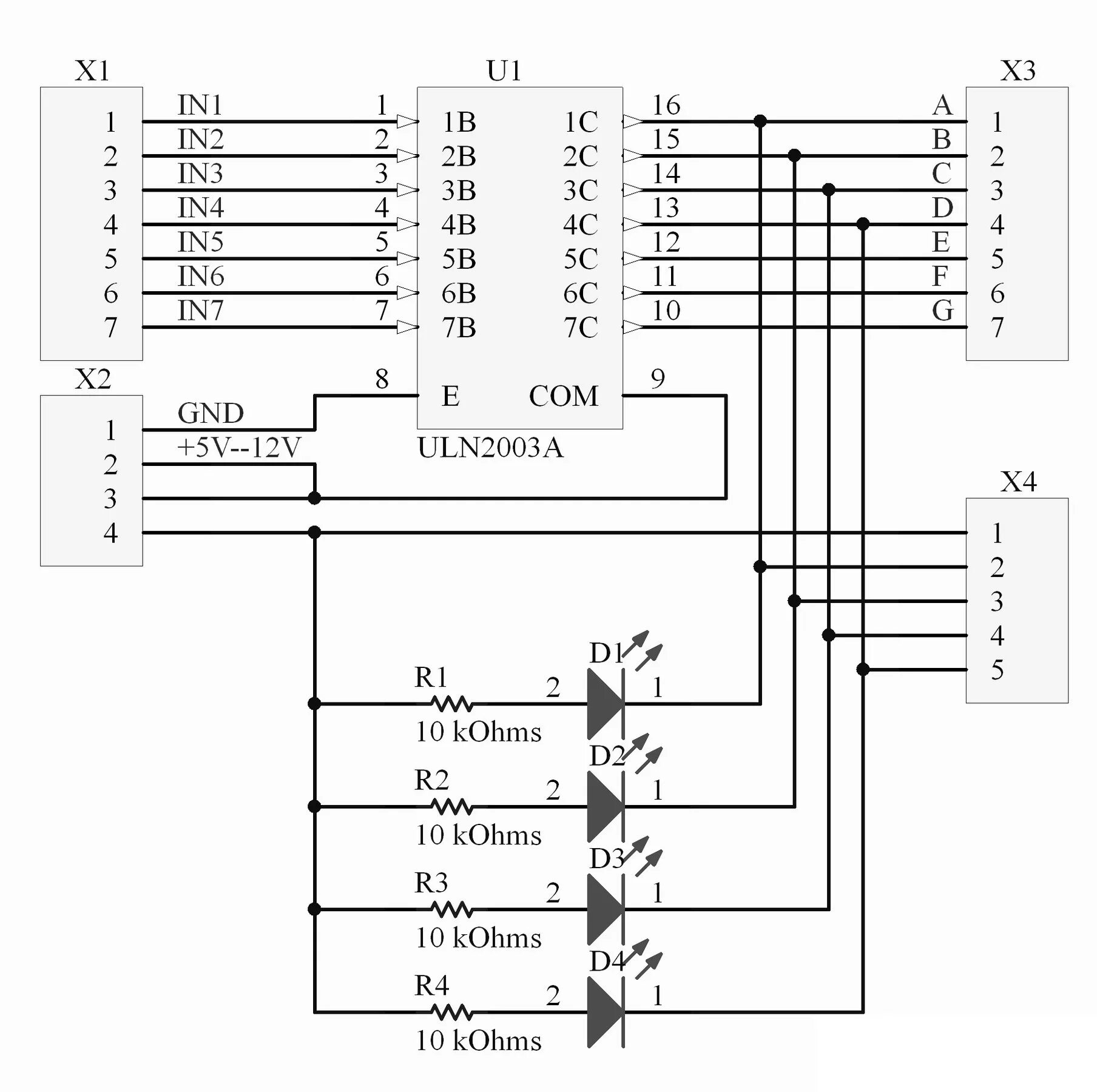
Подключить a1