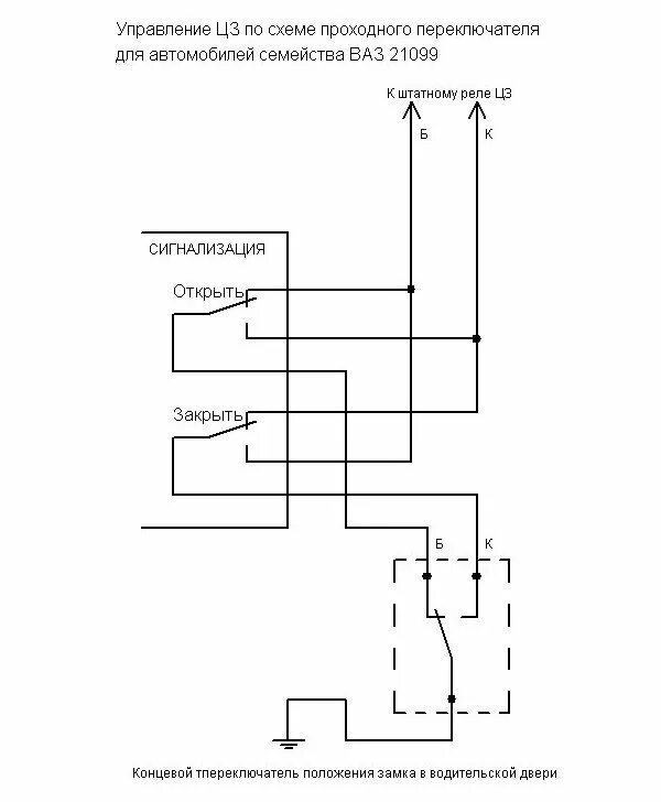
Подключение сигнализации к центральному замку ваз