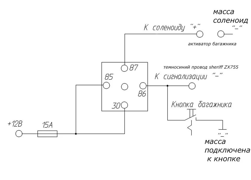
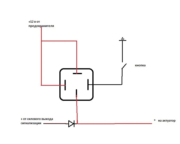
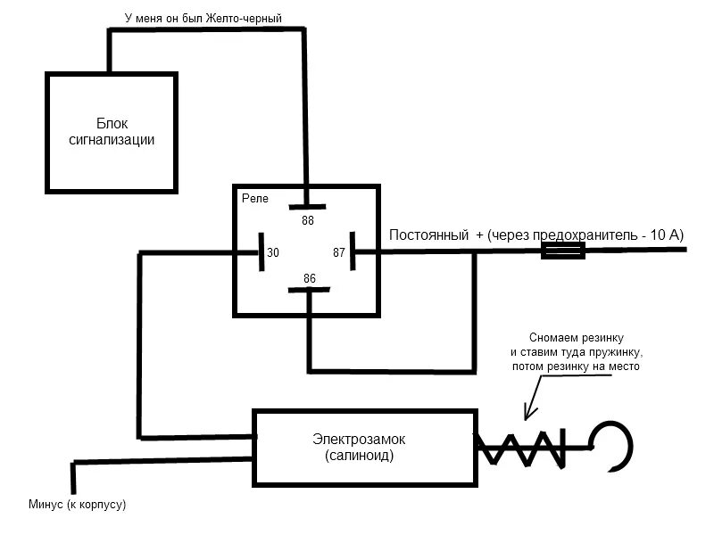
Подключение реле сигнализации