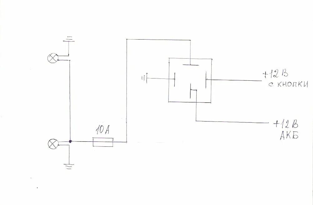
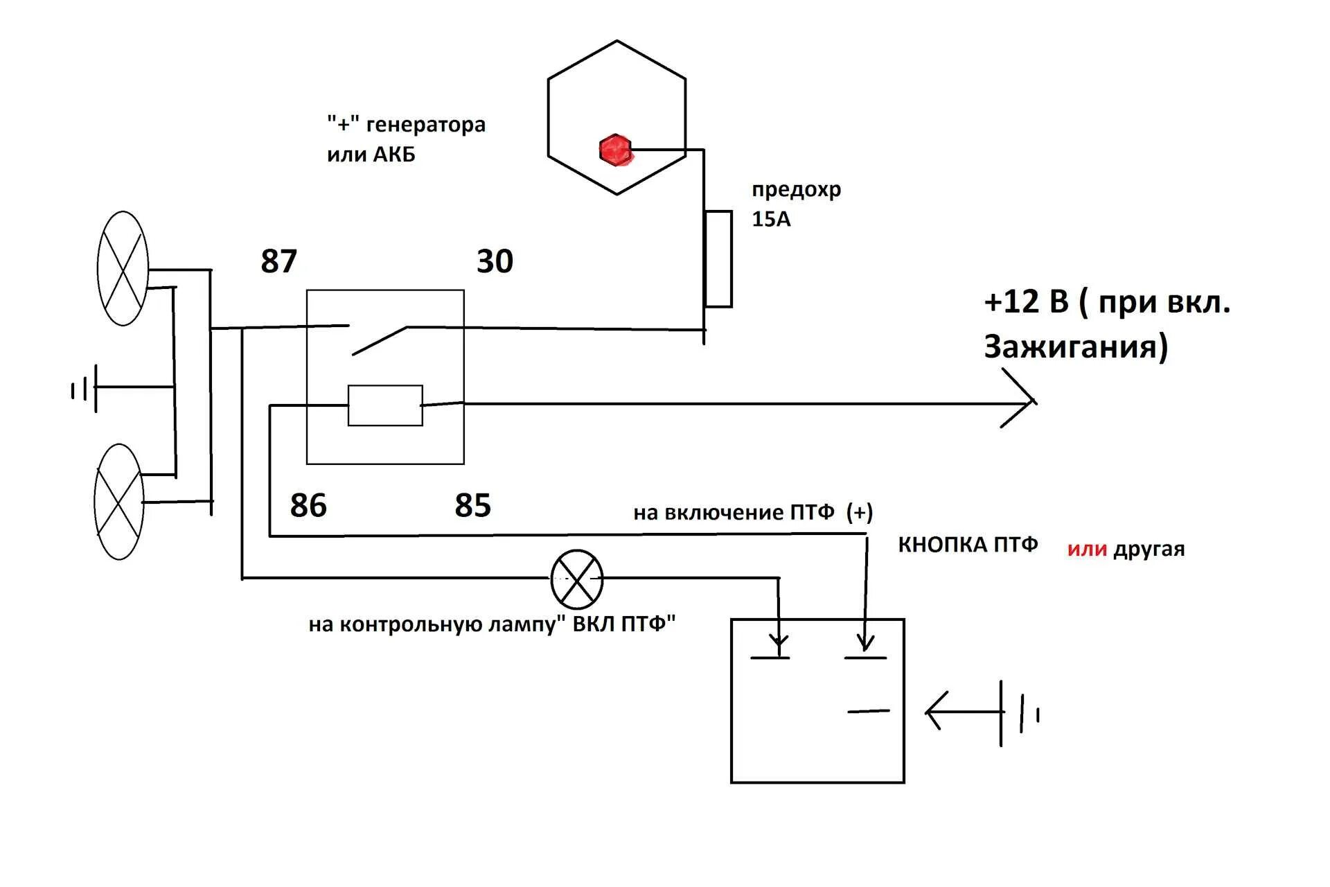
Подключение реле птф