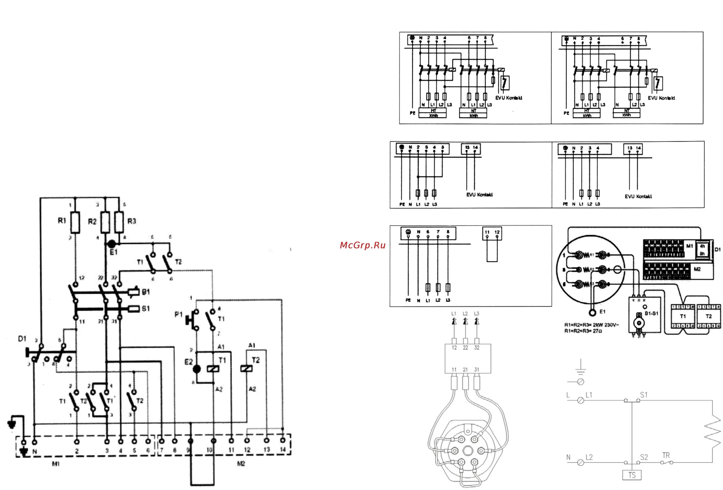
Подключение r tech