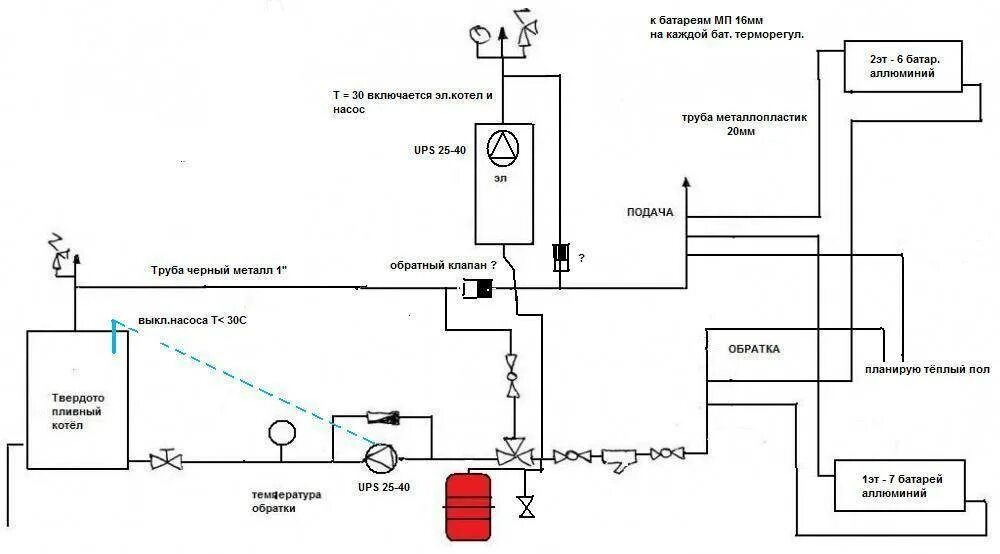
Подключение электрокотла в частном доме