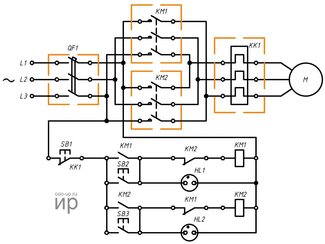
Подключение асинхронного двигателя реверсом