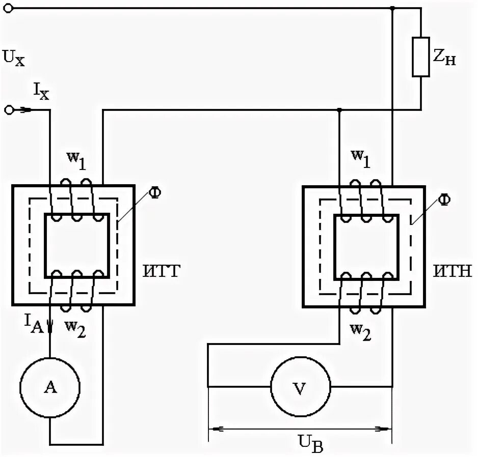
Подключение амперметра через трансформатор тока