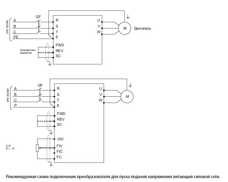
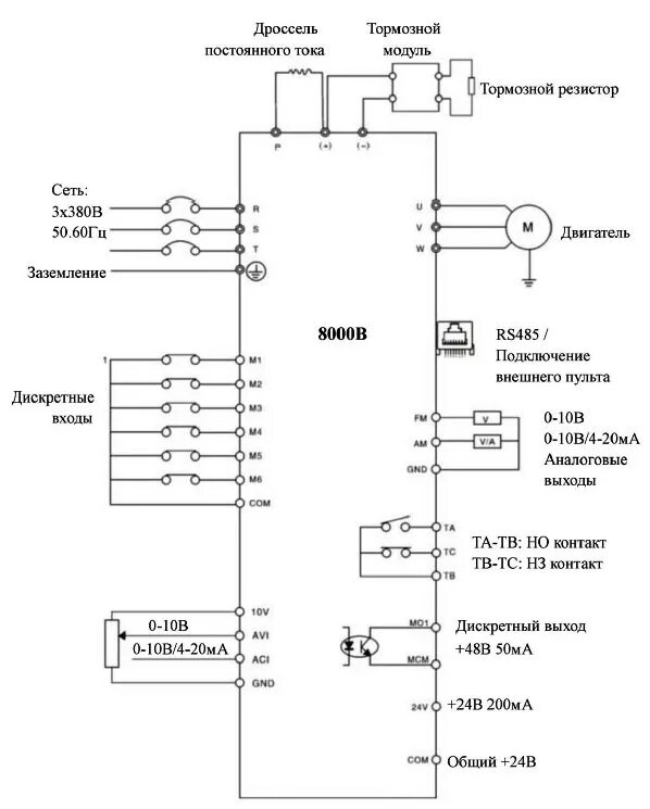
Подключение 3 х фазного частотного преобразователя