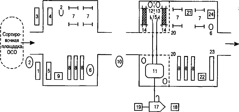
Площадке сортировки и специальной обработки