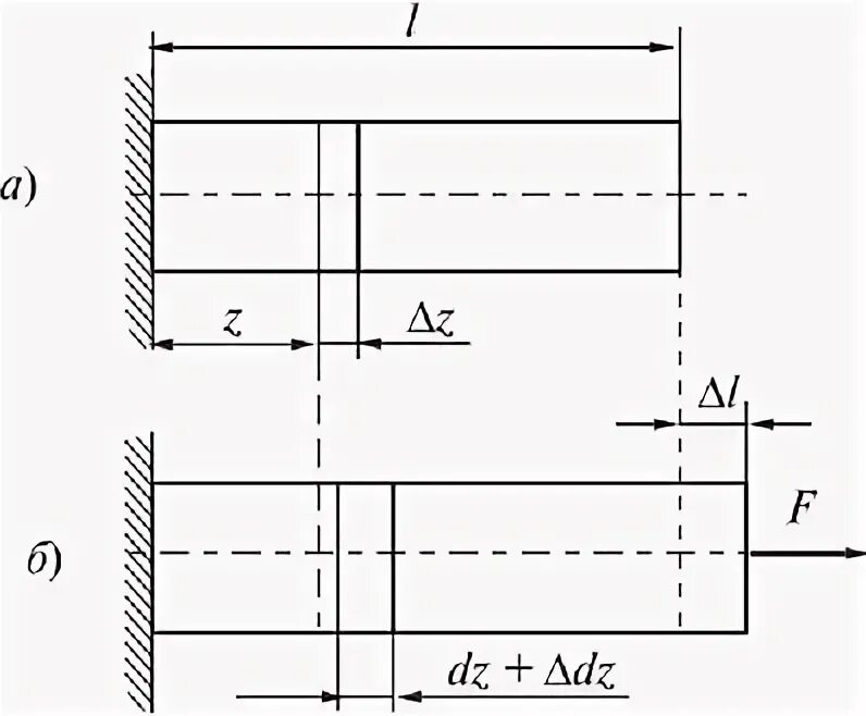
Перемещение поперечных сечений