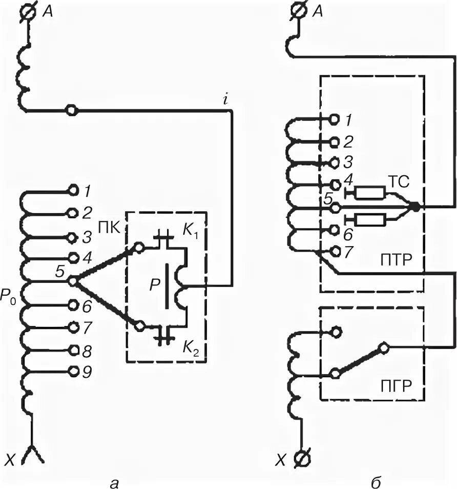
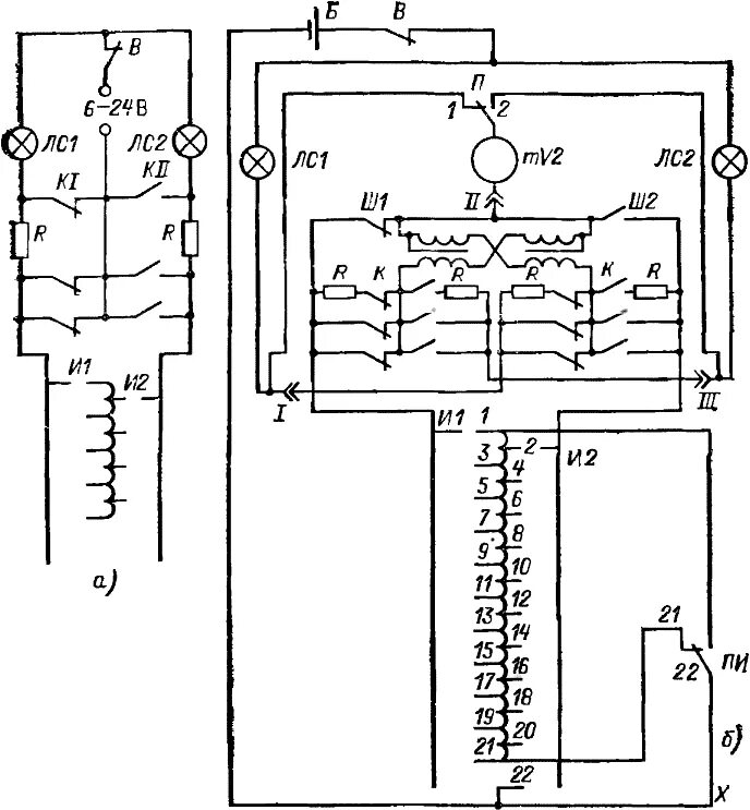
Переключение рпн трансформатора