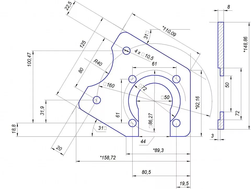
Переходные пластины под суппорта