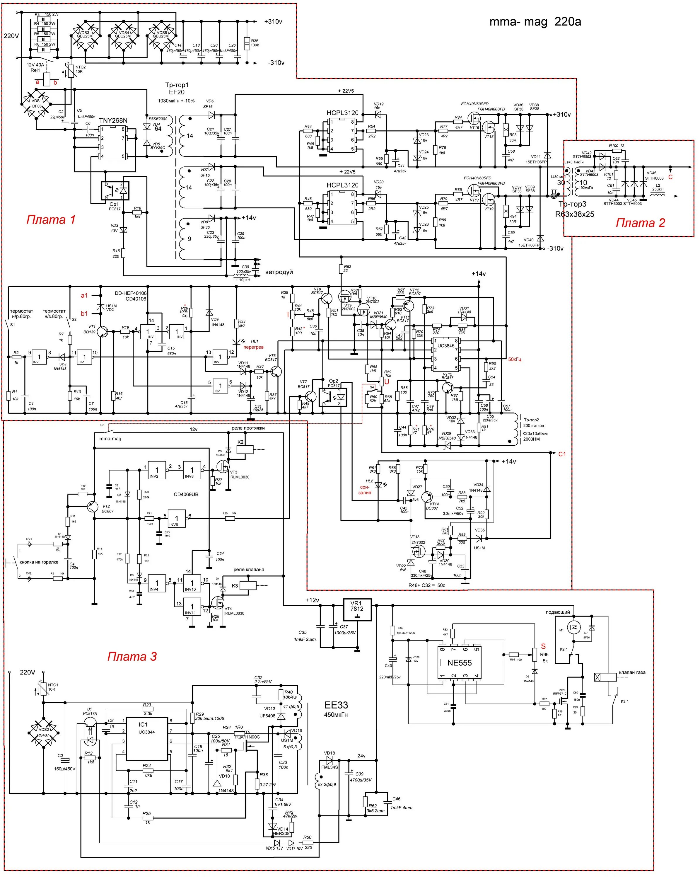
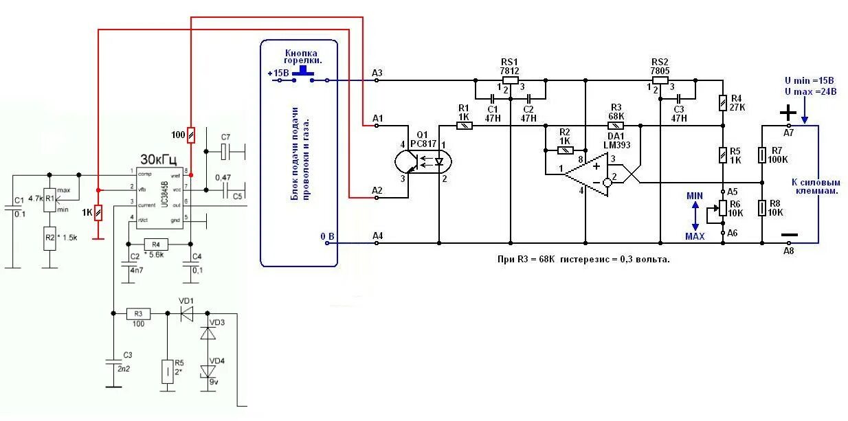
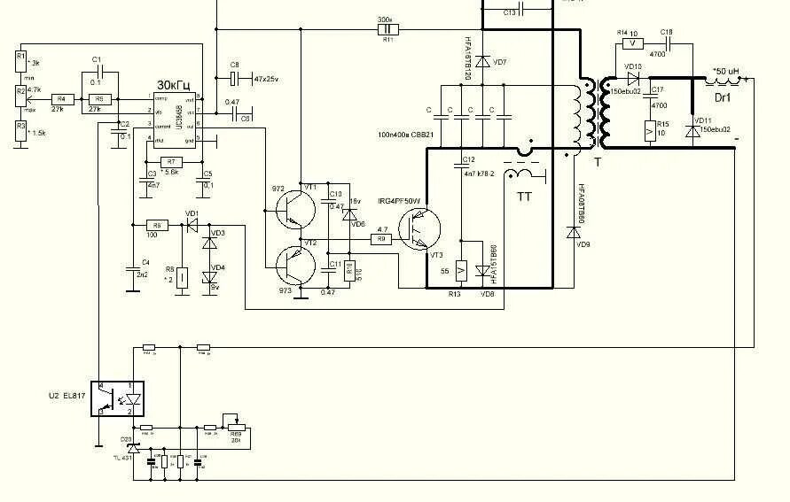
Переделанные инвертор