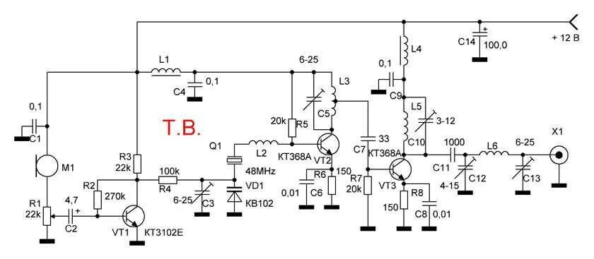
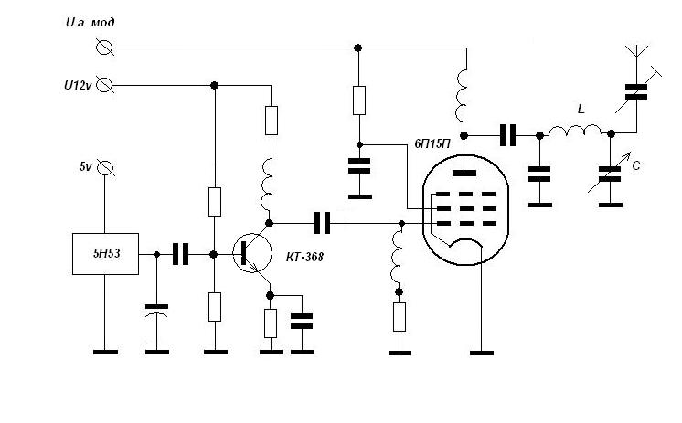
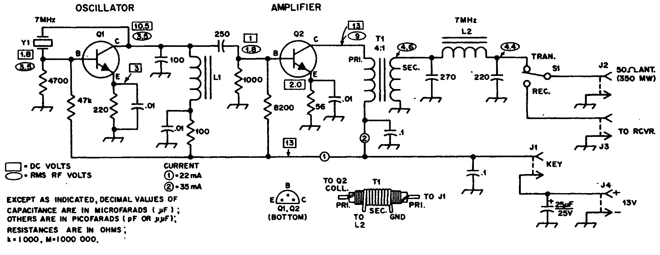
Передатчик искусственного спутника земли 29 мгц определите