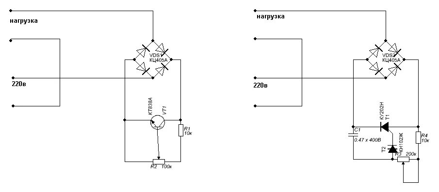
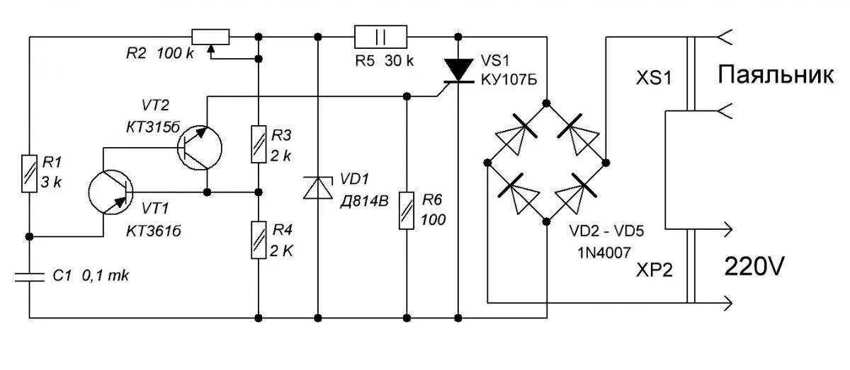
Паяльник рассчитанный на напряжение 220