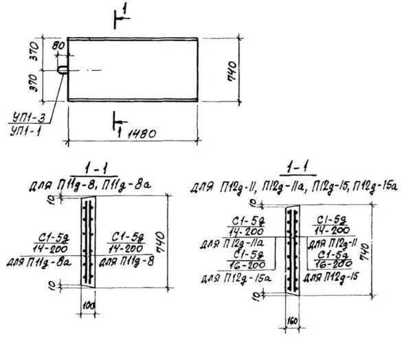
П 11 08