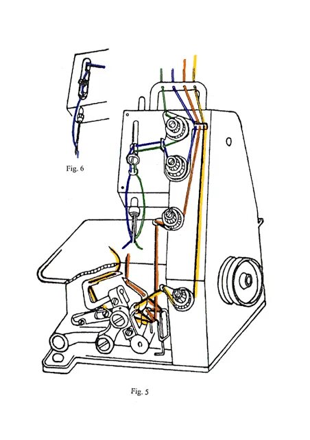
Оверлок нитки какие