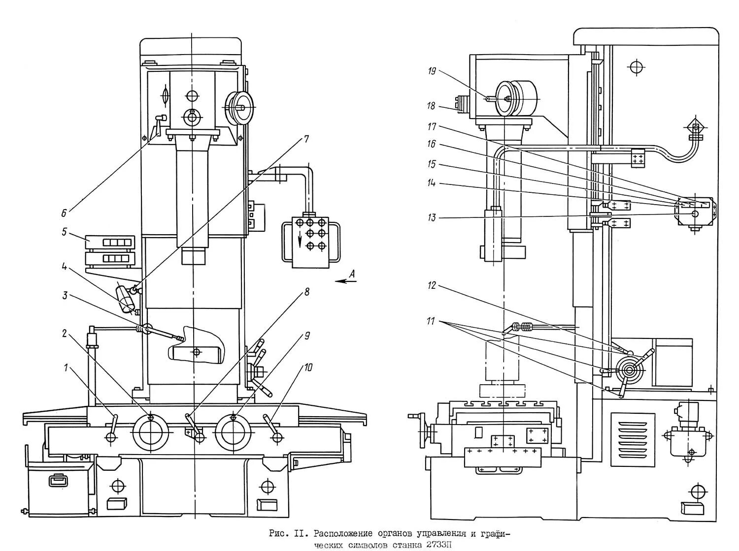
Отделочно расточный станок