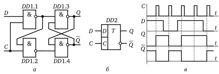
Основа рс