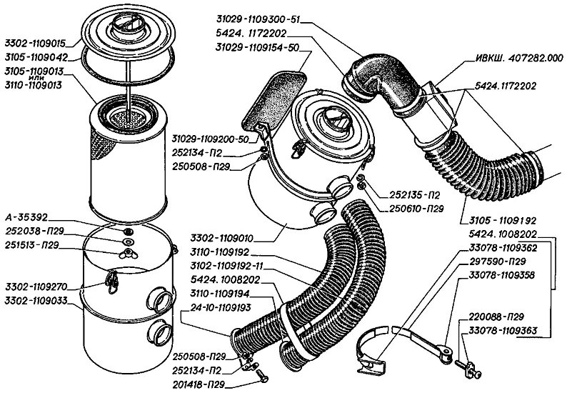
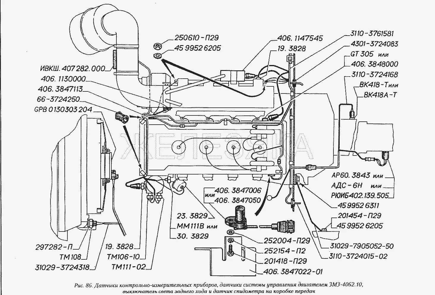
Ошибка 3302