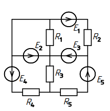
Определить по данной схеме