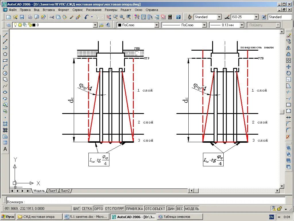
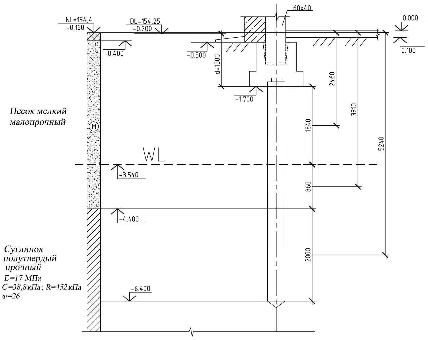
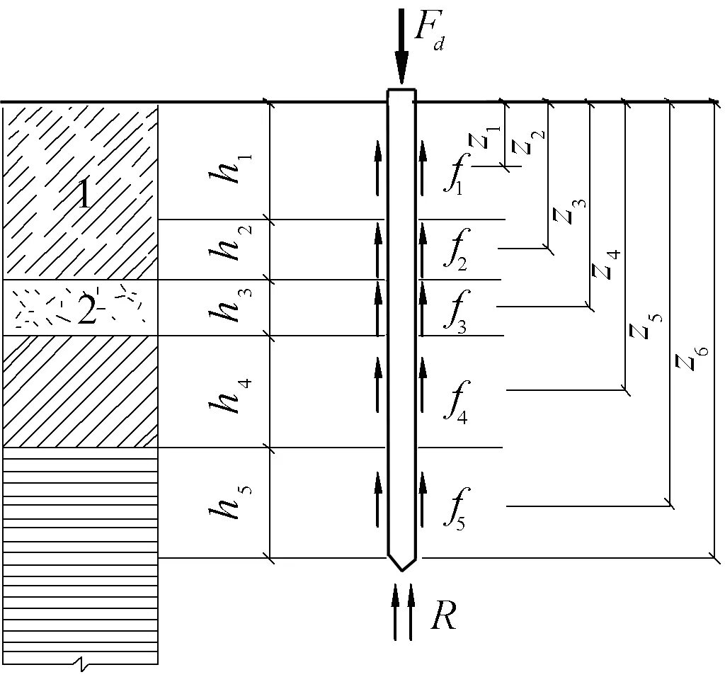
Определить длину сваи