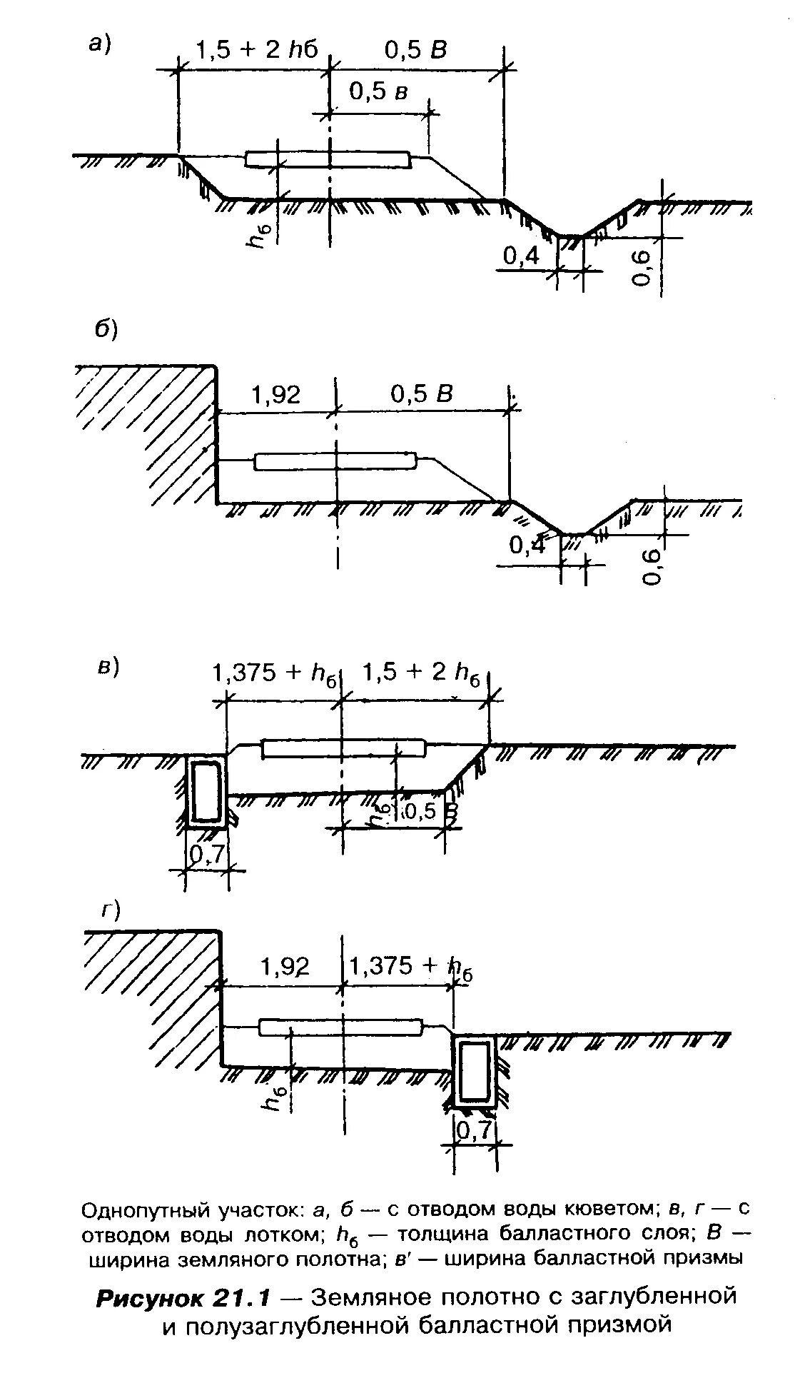
Однопутное земляное полотно