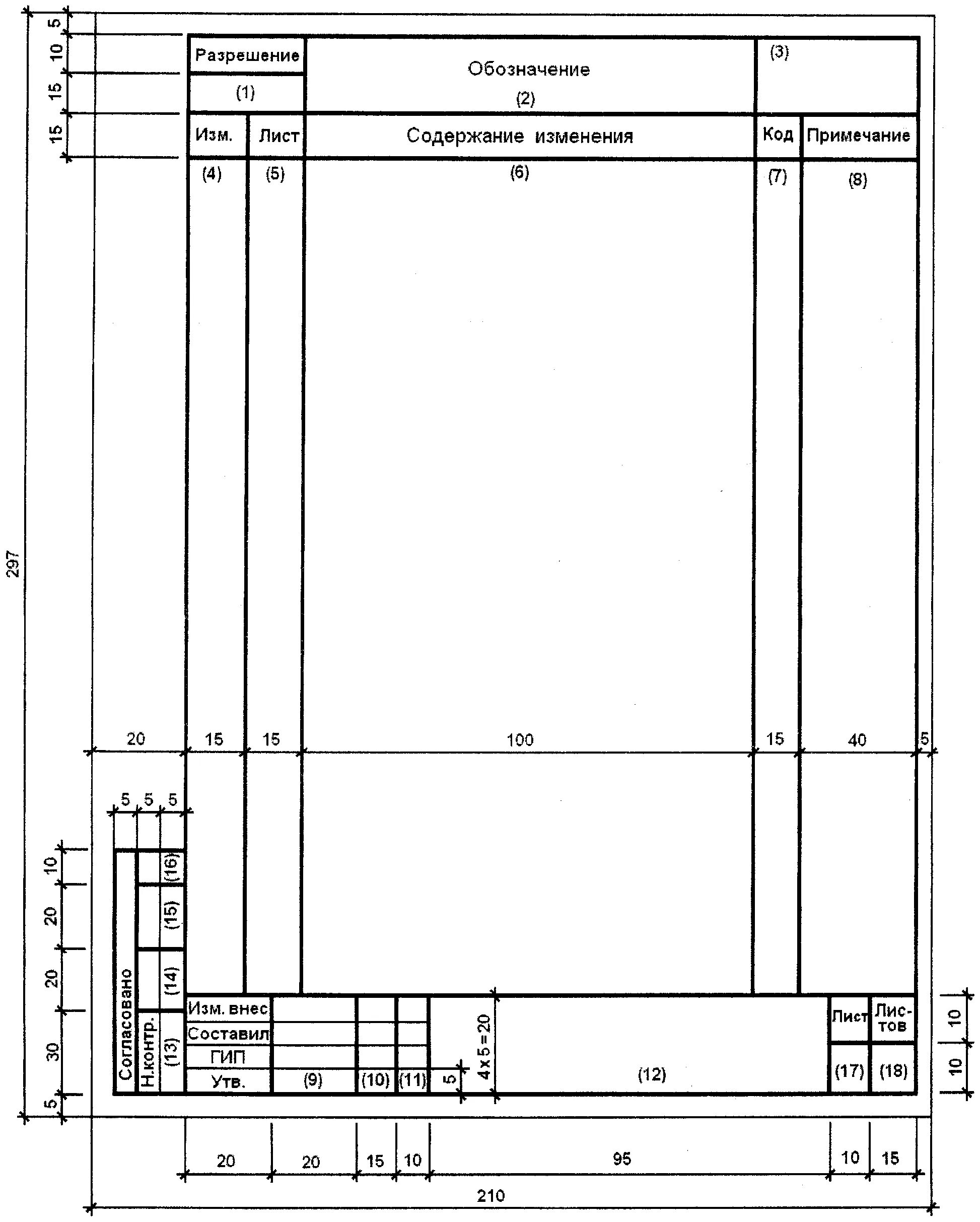
Образец внесения изменений в проектную документацию