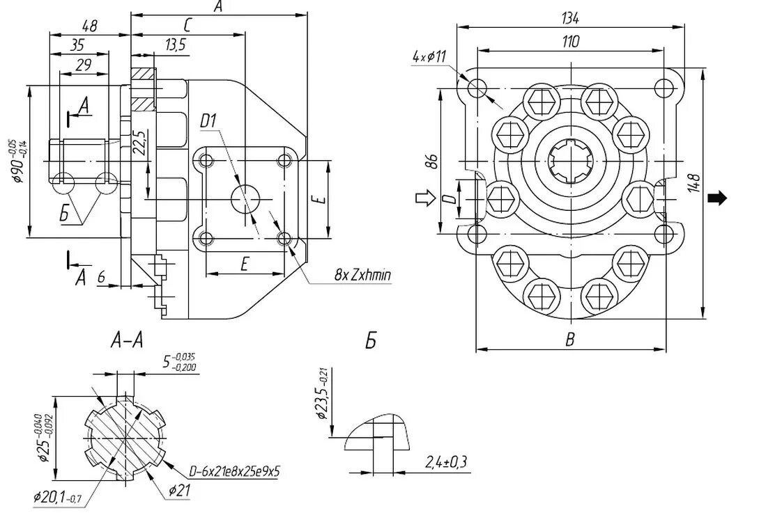
Нш 32 4