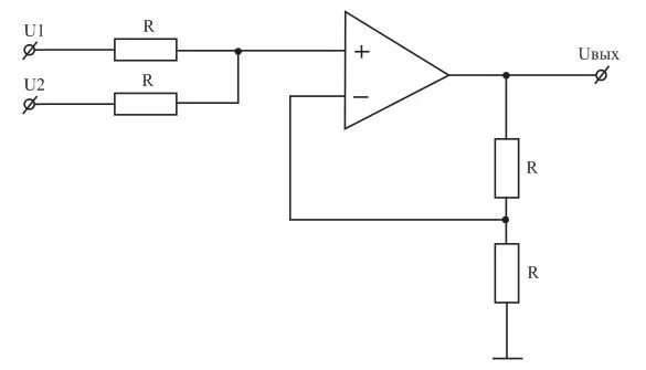
Неинвертирующий сумматор