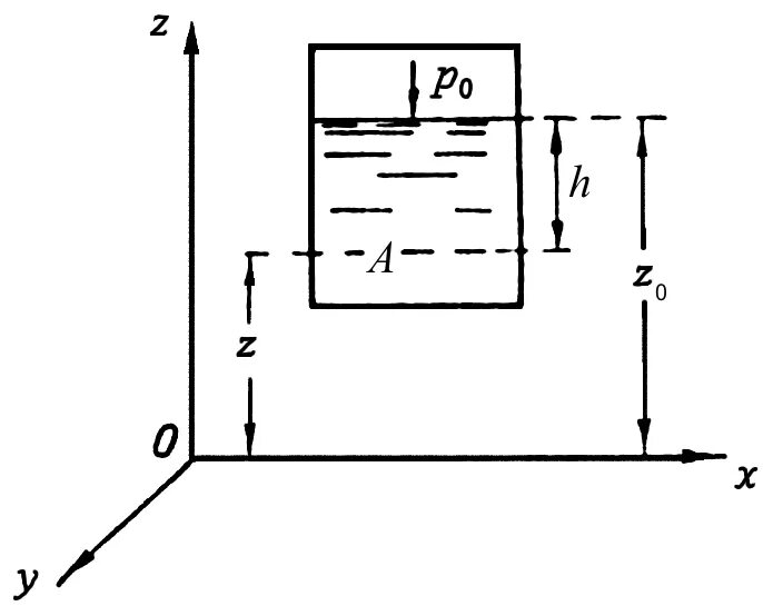
Найдите гидростатическое давление