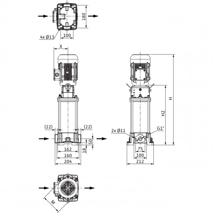
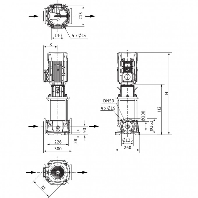
Насосы wilo helix v