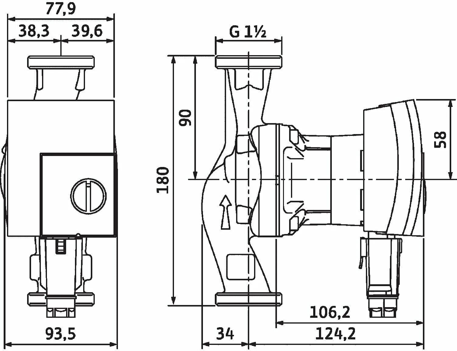
Насос wilo pico