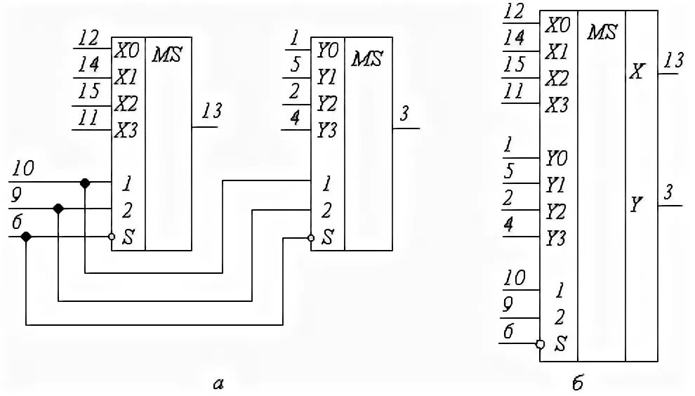
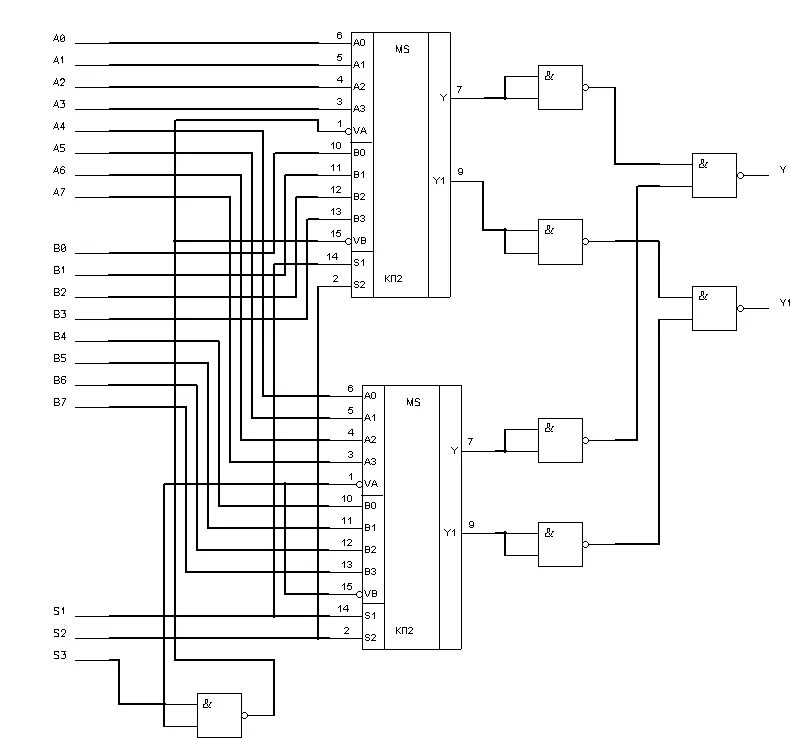
Мультиплексор 2 в 1