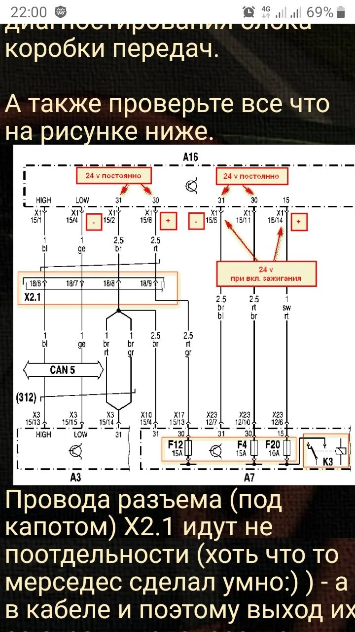
Mr ошибка актрос