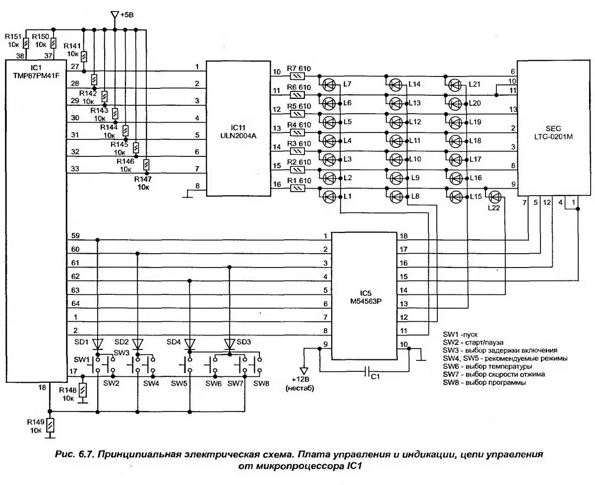
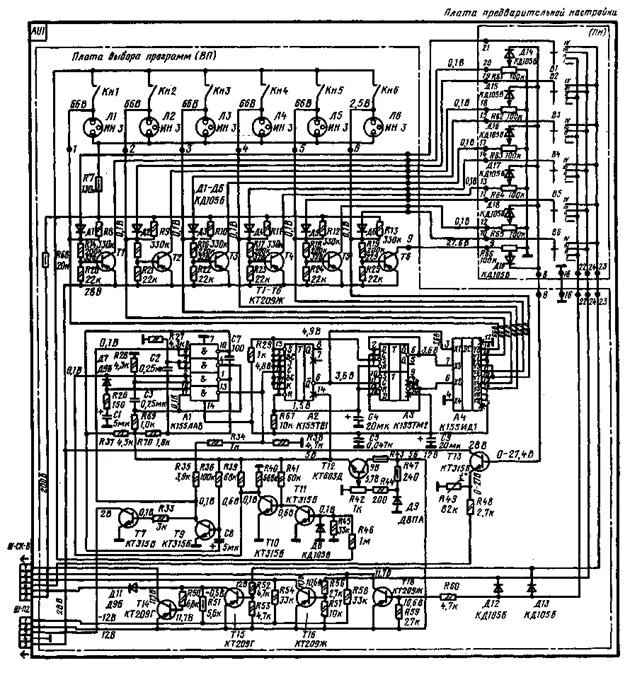
Модуль выбора программ