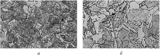
Микроструктура после отпуска