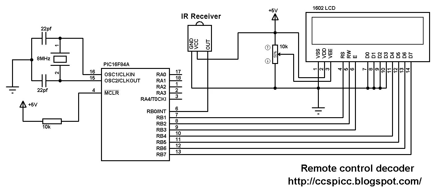
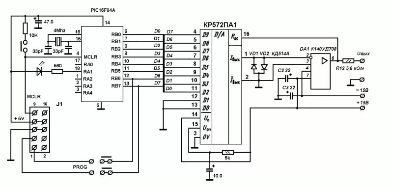
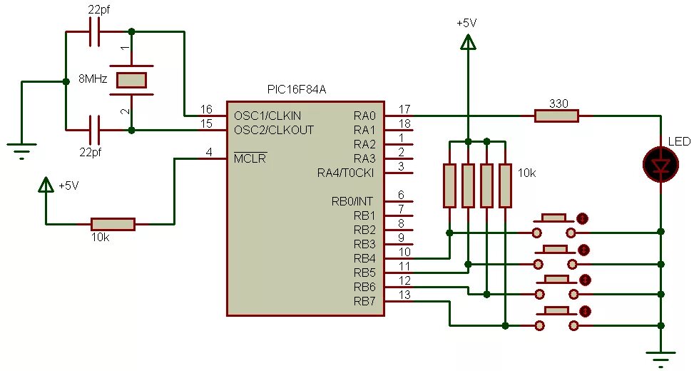
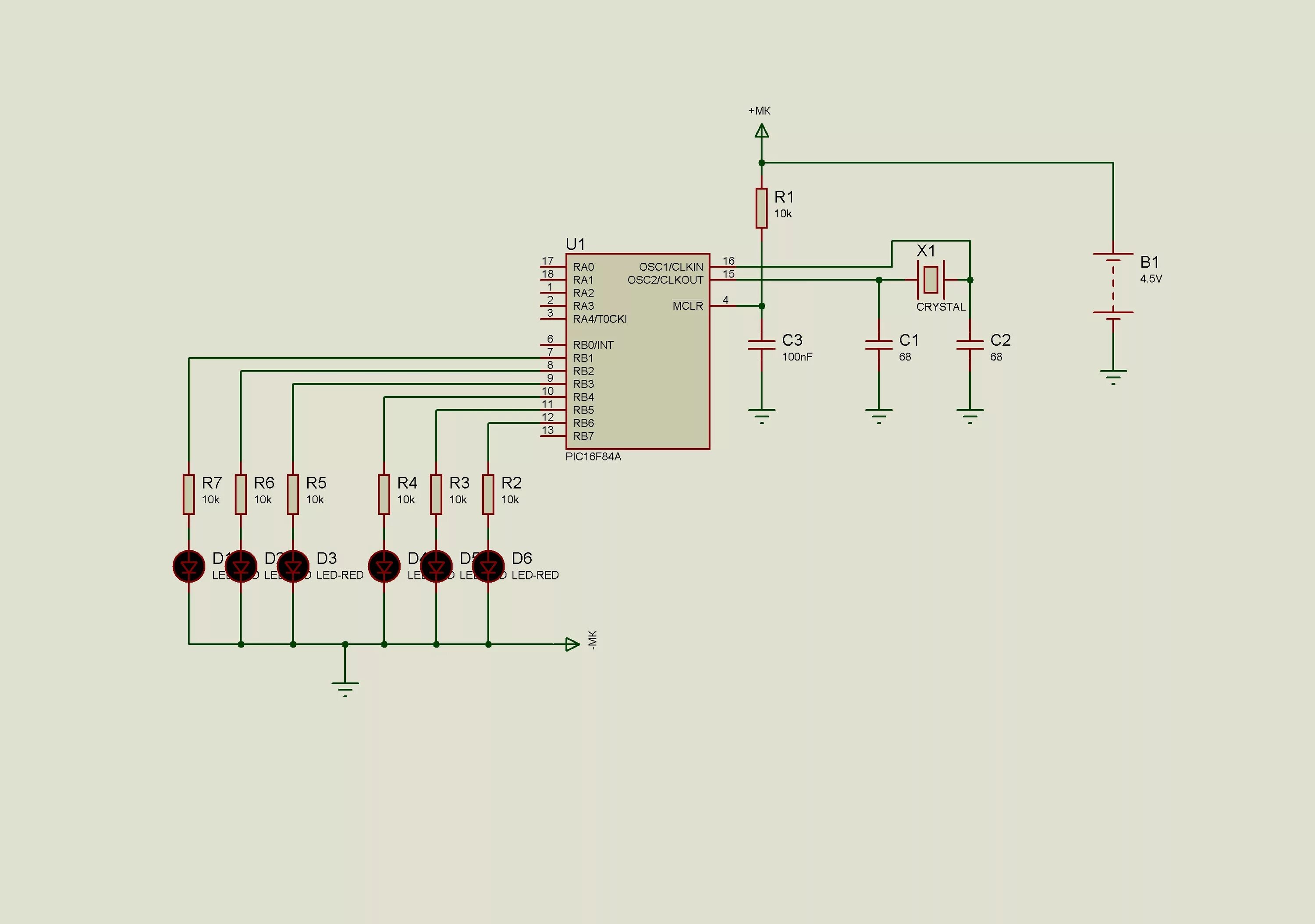
Микроконтроллер pic16f84a