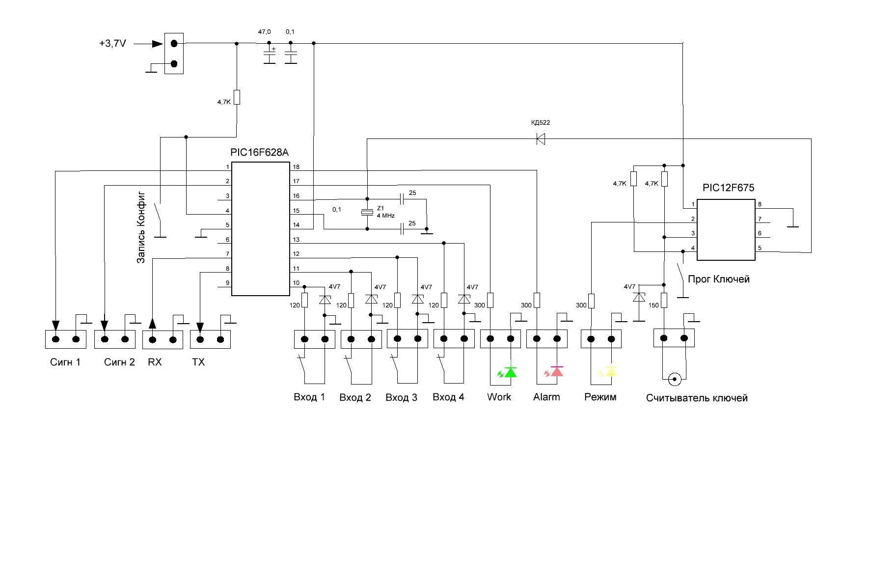
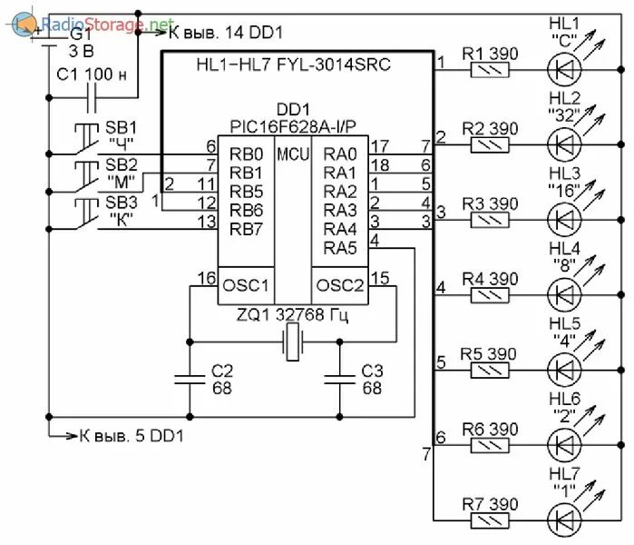
Микроконтроллер pic16f628a