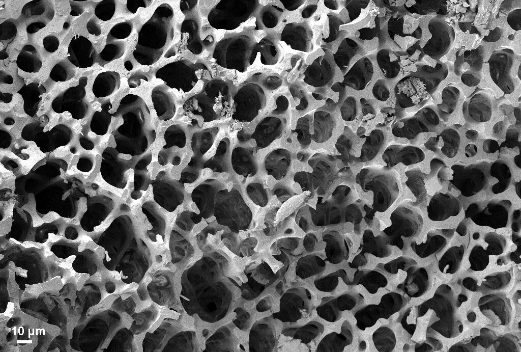
Металл под микроскопом