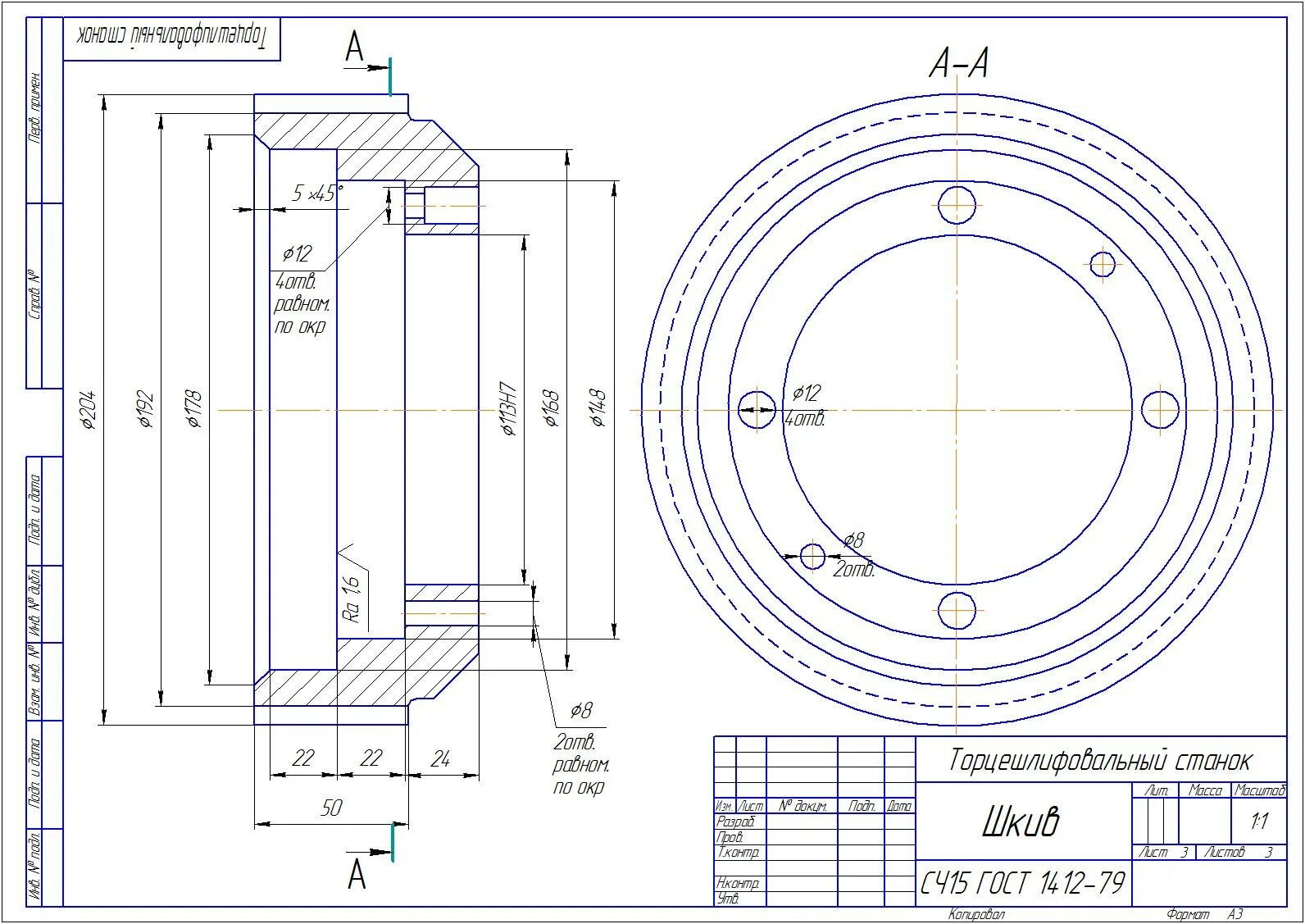
Материал сч 15