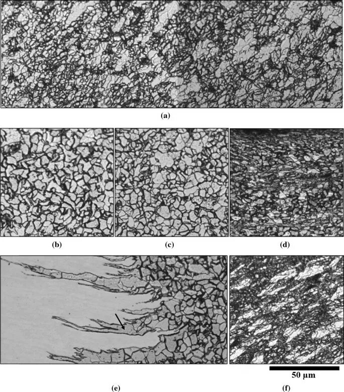
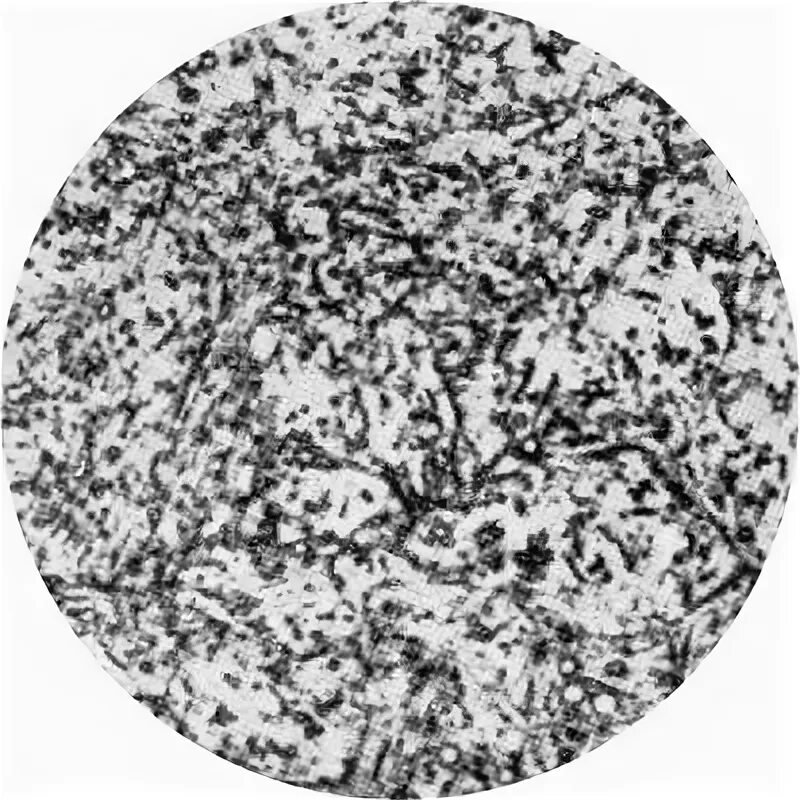
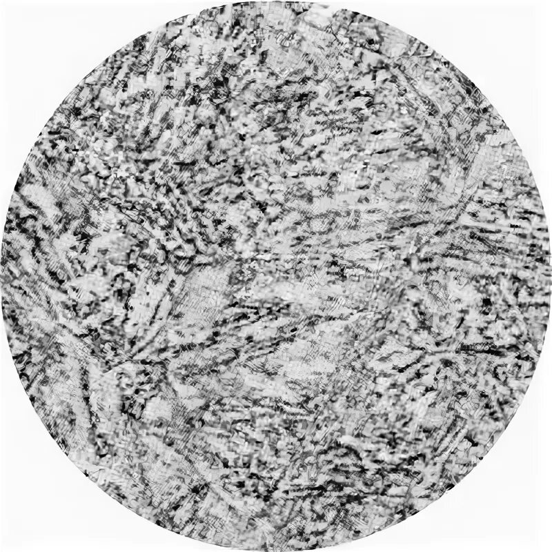
Мартенсит троостит сорбит