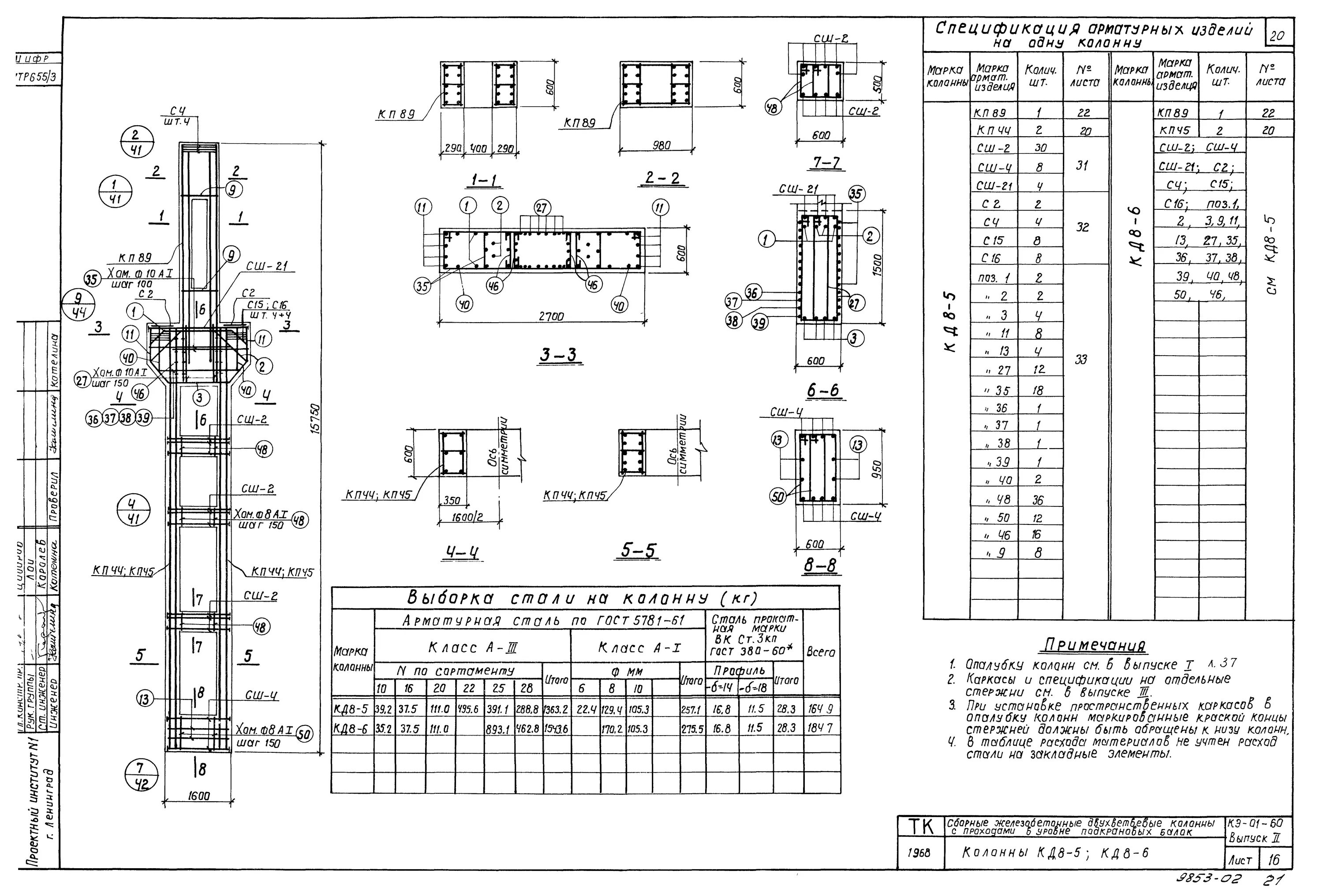
Маркировка армированных