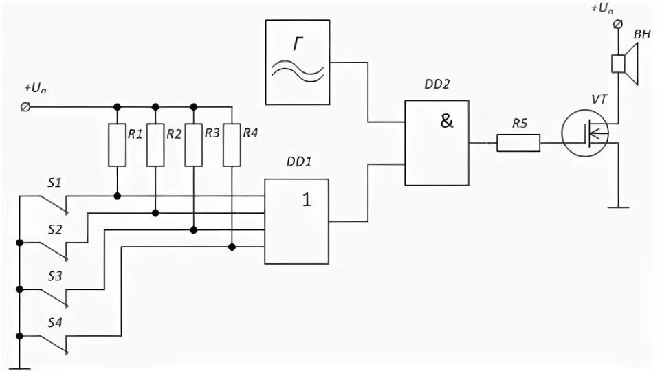
Логические управляющие устройства