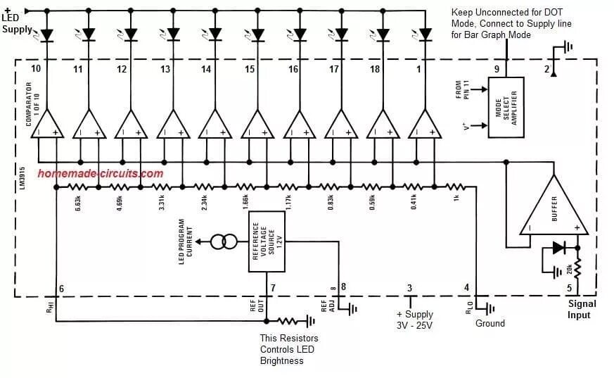
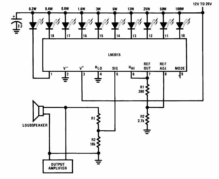
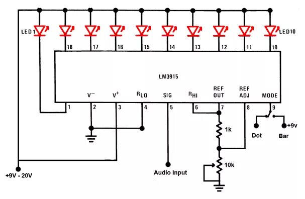
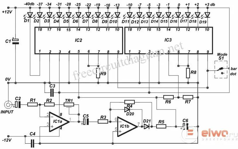
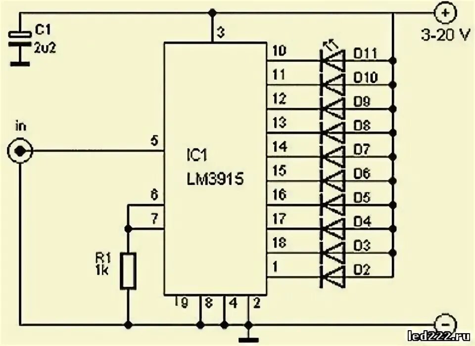
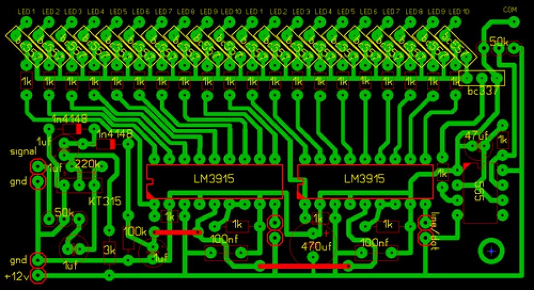
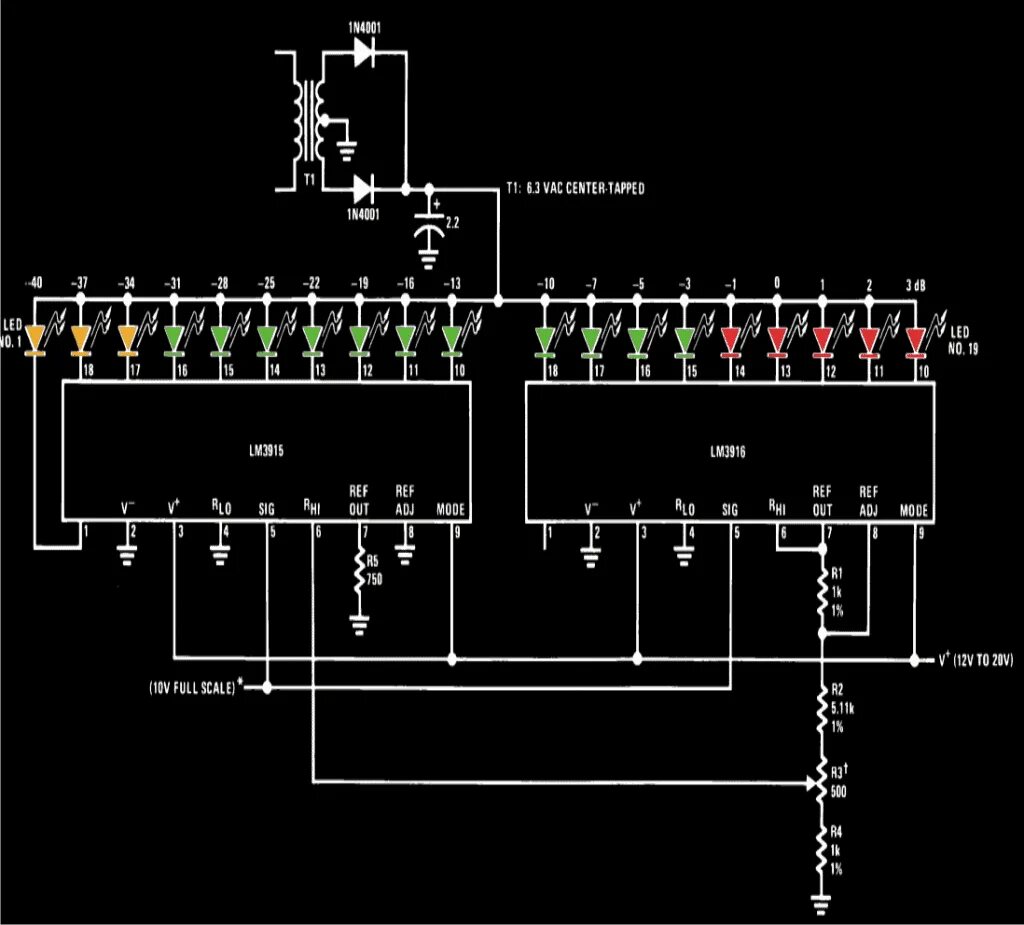
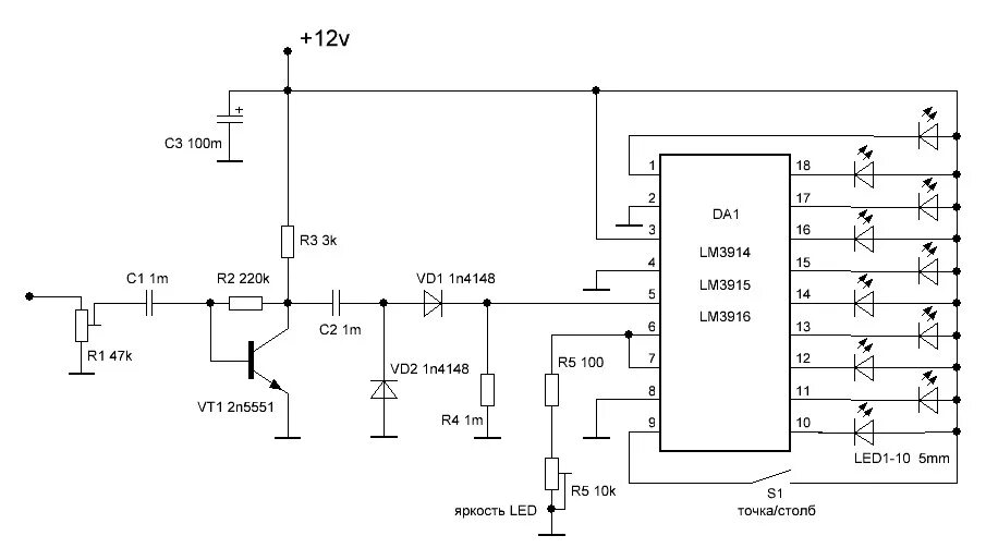
Lm3915 индикатор уровня