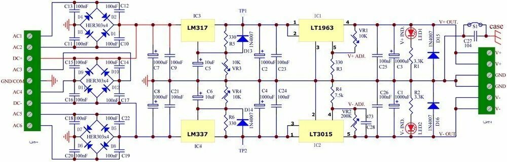
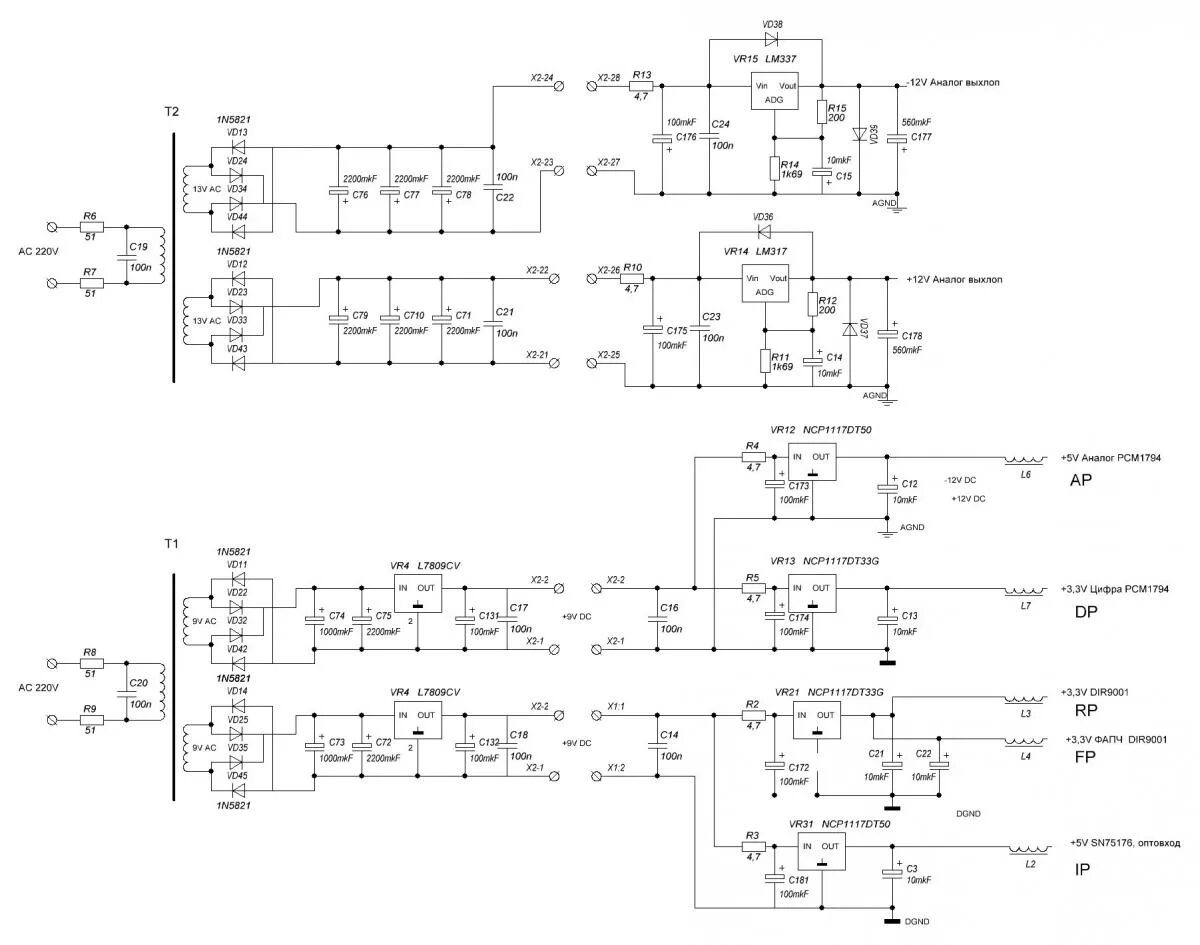
Линейный блок питания для цап