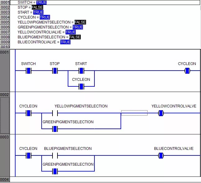
Ld programming