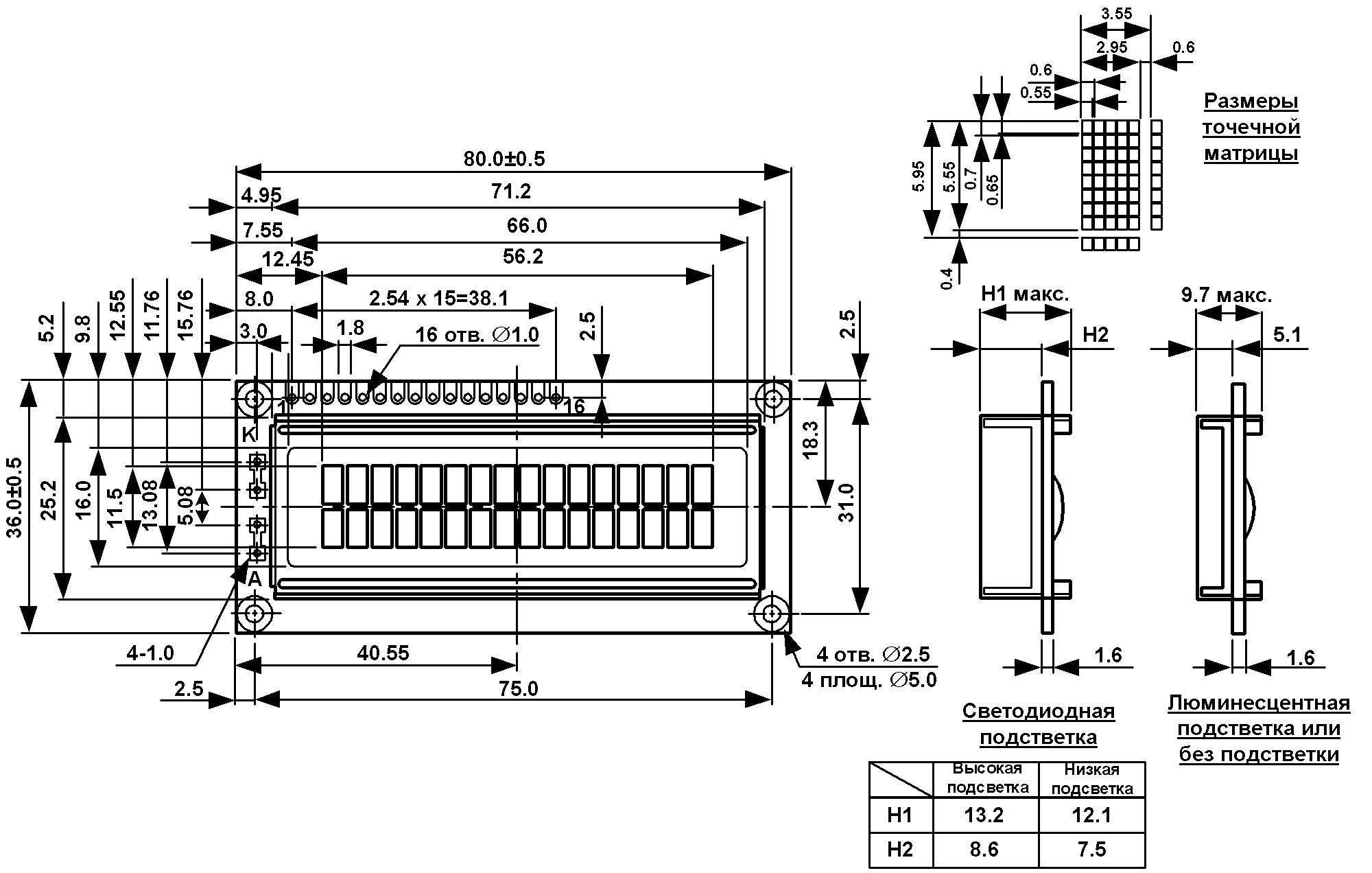
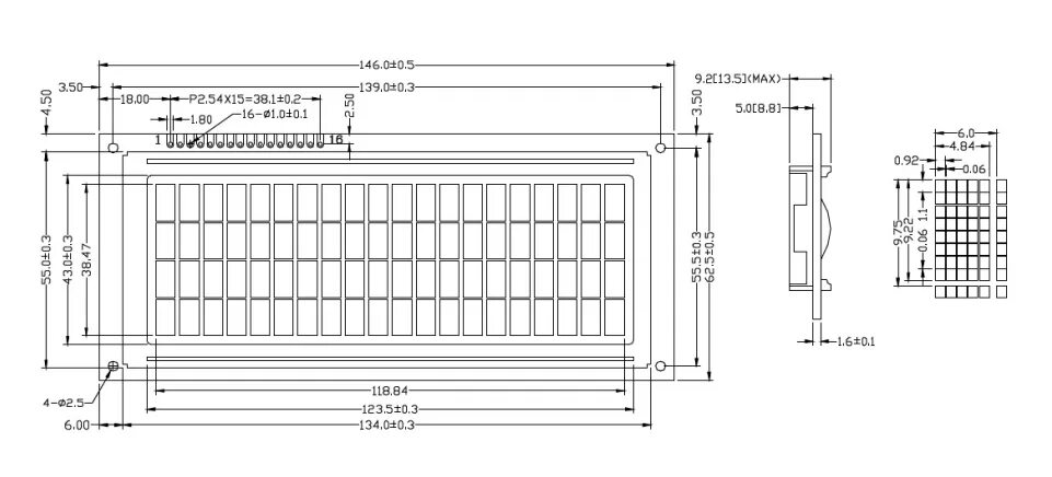
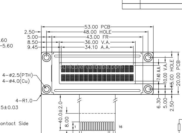
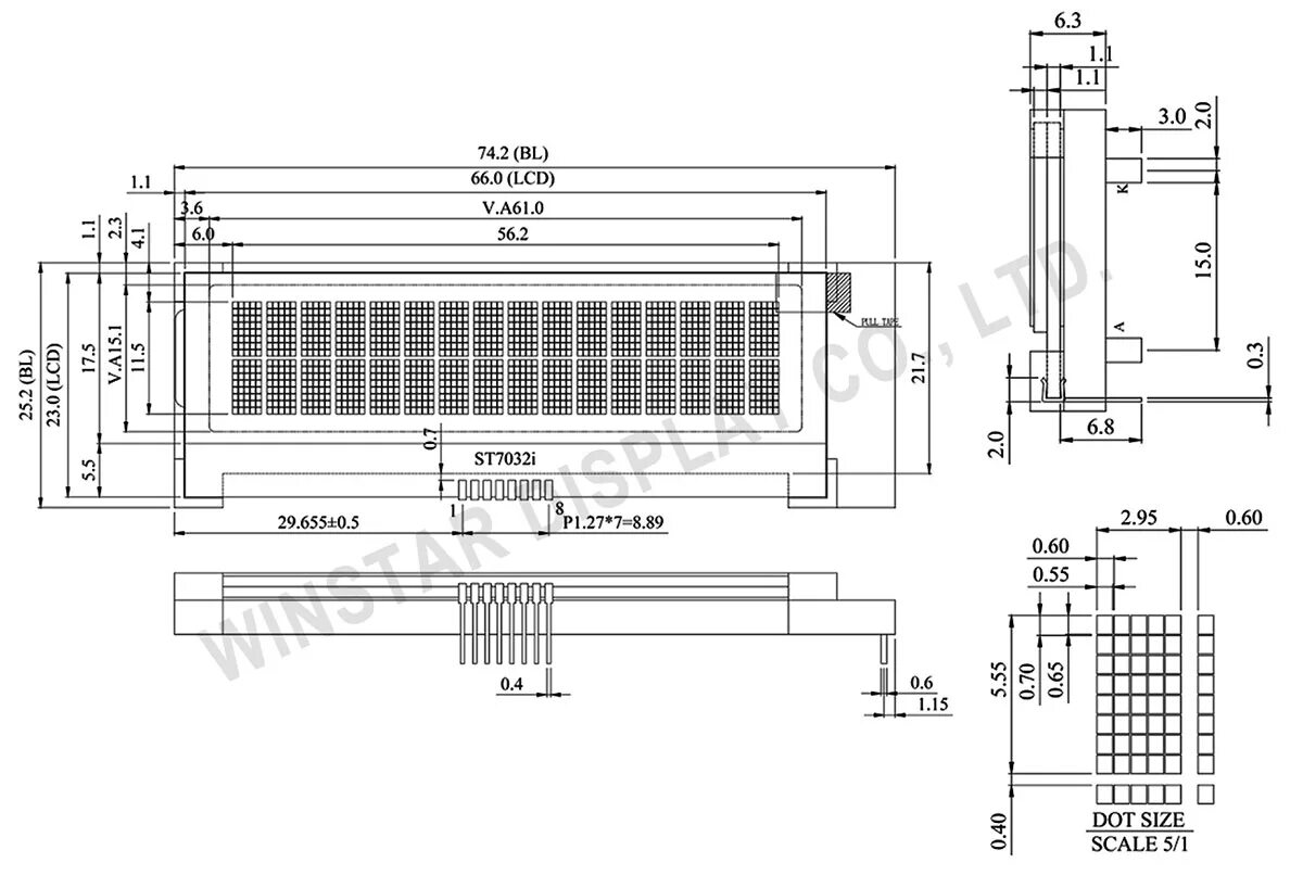
Lcd дисплей размеры