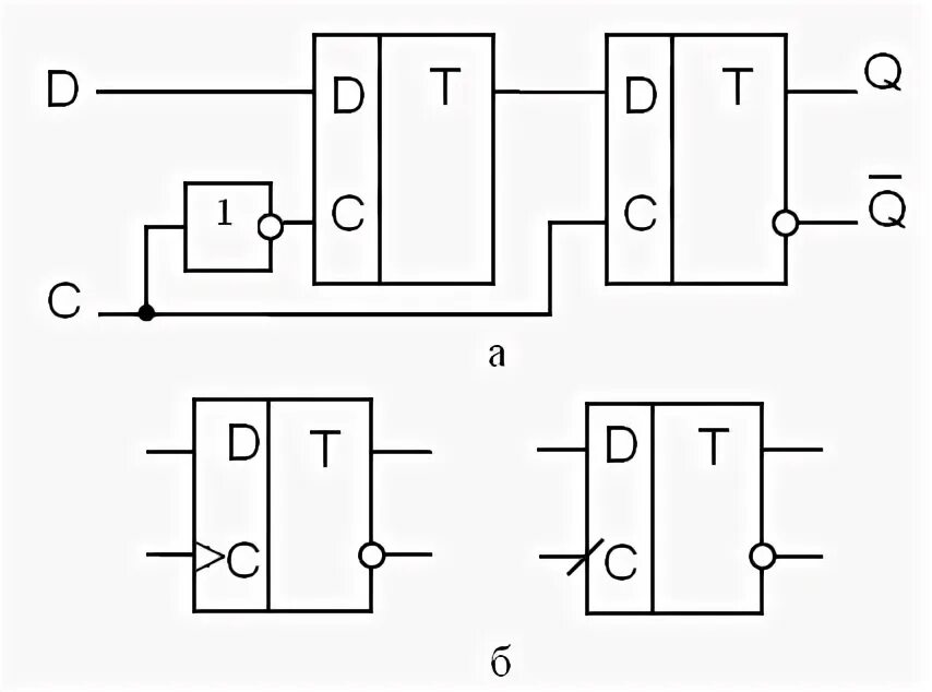
Лабораторная работа логические элементы