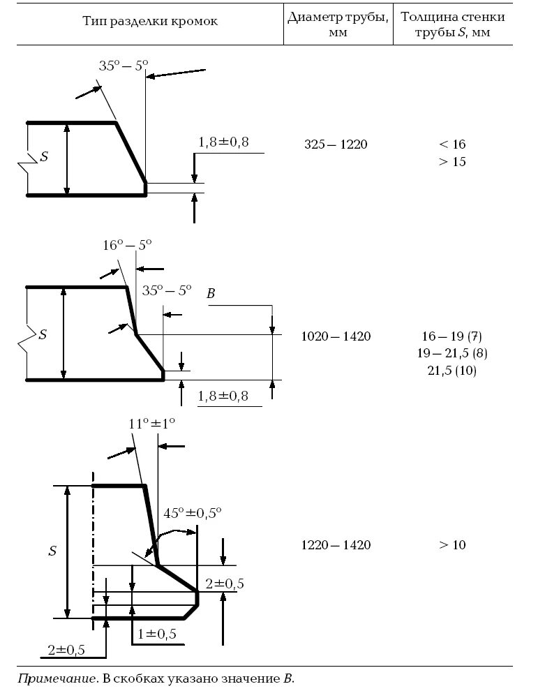
Кромка трубы